YK-80A數顯電接點
YK-80A數顯電接點
YK-80A數顯電接點
YK-80A數顯電接點
YK-80A數顯電接點
YK-80A數顯電接點

YK-80A數顯電接點

YXC系列磁助式電接點壓力表和YX系列直接作用是電接點壓力表,使用于測量對銅和銅合金不起腐蝕作用的液體氣體等介質壓力。儀表經與相應額電氣器件(如繼電器以及交流接觸器等)配套使用,即能對被測(控)壓力系統實現自動控制和發信(報警)的目的。

參數

主要技術參數

1、測量范圍 

(1)壓力表: (0~0.1)MPa;(0~0.16)MPa;(0~0.25)MPa;(0~0.4)MPa;  (0~0.6)MPa;(0~1)MPa;(0~1.6)MPa;(0~2.5)MPa;  (0~4)MPa;(0~6)MPa;(0~10)MPa;(0~16)MPa;  (0~25)MPa;(0~40)MPa;(0~60)MPa; 

(2)壓力真空表:  (-0.1~0.06)MPa;(-0.1~0.15)MPa  (-0.1~0.3)MPa;(-0.1~0.5)MPa  (-0.1~0.9)MPa;(-0.1~1.5)MPa  (-0.1~2.4)MPa 

(3)真空壓力表:(-0.1~0)MPa

2、準確度等級:1.6級 

3、最高工作電壓及觸頭功率: 

YXC系列 220V.DC 380V.AC 30VA 

YX 系列 220V.DC 380V.AC 10VA 

4、使用環境條件 

環境溫度:(-40~+70)℃ 

相對濕度:≤85% RH 

5、溫度影響:實際使用溫度偏離20±5℃時其附加誤差不大于0.4%/10℃ 設定點偏差不大于0.6%/10℃。


電氣線路連接方式

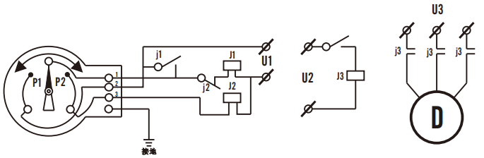
image.png

圖中:P1為下限觸點;P2為上限觸點指針為動觸點  J1、J2可使用繼電器或交流接觸器,J3為交流接觸器, j1為J1的常開觸點, j2為J2常閉觸點,j3為交流接觸器,J3的常開觸點 

儀表工作狀態為:當被測壓力低壓下限設定壓力時,1、2閉合, 當被測壓力高于下限設定值且低壓上限設定值時觸點均斷開當被測壓力高于上限設定值時,1、3閉合。

電話

0577-62898988

手機

15067706886

微信

微信

QQ

QQ:574963916

郵箱
主站蜘蛛池模板: 太谷县| 抚顺县| 达日县| 精河县| 新闻| 修武县| 称多县| 西乌珠穆沁旗| 平昌县| 抚顺市| 卓尼县| 三河市| 虎林市| 嘉鱼县| 长兴县| 常宁市| 庐江县| 安丘市| 塔河县| 大埔区| 嘉兴市| 浑源县| 临夏市| 毕节市| 闵行区| 自治县| 措勤县| 城口县| 漾濞| 扎鲁特旗| 富顺县| 凉城县| 万安县| 大安市| 顺昌县| 宜都市| 泽州县| 嘉祥县| 偏关县| 克东县| 木兰县|